【全加器】的意思和解释
【全加器】是什么意思(来源:辞书)
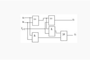
- 一种能对三个输入位元相加,输出结果为和与进位二个位元的加法器。设输入X、Y、Z,输出和S与进位C,则全加器的真值表如下:
【全加器】 图片鉴赏

查字典的部份资料来自网络或由网友提供,不保留版权,如有侵权,请与我们联系以从站上删除! 免责声明:本站非营利性站点,以方便网友为主,仅供学习。
Tip:SCCG
